深圳市球速体育有限公司长期提供LM2576S-12(品牌: TI/NS/德州仪器)充足现货订购、免费样品
技术参数详解:
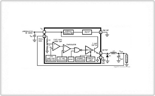
型号:LM2576S-12制造商:Texas Instruments(德州仪器)描述:IC REG BUCK 12V 3A TO263-5系列:输出电压12V、输出电流3A的降压电压稳压器IC类型:降压电压稳压器输出类型:固定输出数:1输出电压:12V输入电压:4V(最小) ~ 40 V(最大)开关频率:52kHz输出电流:3A同步整流器:无工作温度:-40°C ~ 125°C安装类型:表面贴片封装:TO-263-6,TO-263BALM2576S-12均从LM2576代理或经过认证的可靠渠道采购,长期充足现货,确保原装正品!
LM2576S-12应用手册下载(TI公司友情提供,点击标题进行下载):

与LM2576S-12配合设计使用的核心器件(本司都有现货):
TMS320F28062(LQFP-100,LQFP-80):Piccolo微处理器UC3844(SOP-8、DIP-8):电流模式PWM控制器LF347(SOIC-14、DIP-14):四路通用JFET输入运算放大器LF353(SOP-8、DIP-8):双路通用JFET输入运算放大器SN74ACT244(SOIC-20、TSSOP-20):具有三态输出的八路缓冲器/驱动器
