News Center
2022年4月21日,一加真无线蓝牙耳机Buds N正式上市。它拥有12.4mm超大动圈单元杜比全景声,单次连听7小时、累计30小时超长续航,蓝牙5.2 94ms 超低延时等卓越的性能。此次,球速体育半导体为一加Buds N提供电源管理整体解决方案,包括TWS耳机电源管理芯片SY8801、电源管理PMIC SY5501、OVP芯片SY8702,助力客户为广大消费者提供优质的产品体验。

关于SY8801
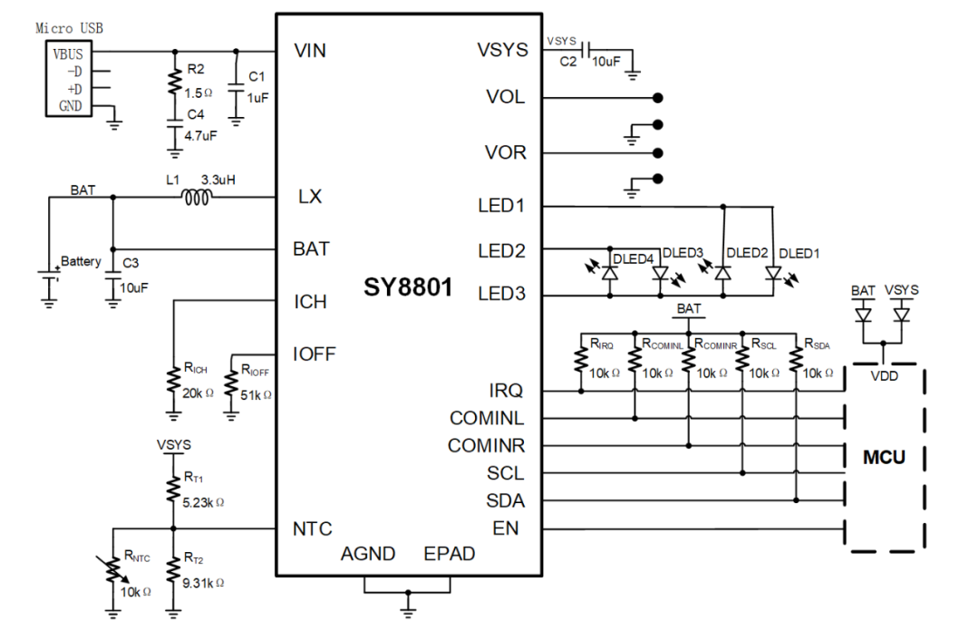
SY8801是一款专为TWS耳机充电仓设计的单芯片解决方案,芯片内部集成充电模块和放电模块,充电电流和放电截止电流外部可以调节;SY8801利用输出的电源和地可以实现耳机充电仓和耳机之间的通讯。芯片集成了标准的I2C接口和中断信号,方便实现芯片和MCU之间的通讯;同时,芯片还提供了负载检测和负载插入识别。SY8801非常适合TWS耳机充电仓的设计,极大简化了外围电路和元器件,为TWS耳机充电仓的应用提供了简单易用的方案。SY8801采用的封装形式为QFN24。
应用
· TWS耳机充电仓、便携式电子产品等
特点
· 待机电流:5uA
· 充电电流外部电阻调节,恒定VIN电流
· 最大充电电流:1.2A
· 输入耐压高达28V
· 充电效率高达93%@0.5A
· 边充边放路径管理,放电优先
· 预设4.2V/4.35V充电浮充电压,精度达±1%
· 同步升压输出5V ,效率高达93%@0.1A
· 支持负载插入识别
· 支持负载电流检测,轻载关机电流外部电阻调节
· 放电模块过流、短路、过压、过温保护
· 1-4 LED显示,外部自动识别;支持耳机放入提示
· 集成按键功能,单击放电,长按关闭放电(可选版本)
· VOL/VOR支持两种单线通讯模式
· 集成使能控制和I2C通讯接口,可以灵活定制产品
· 符合IEC62368最新标准

(典型应用电路)
关于SY5501
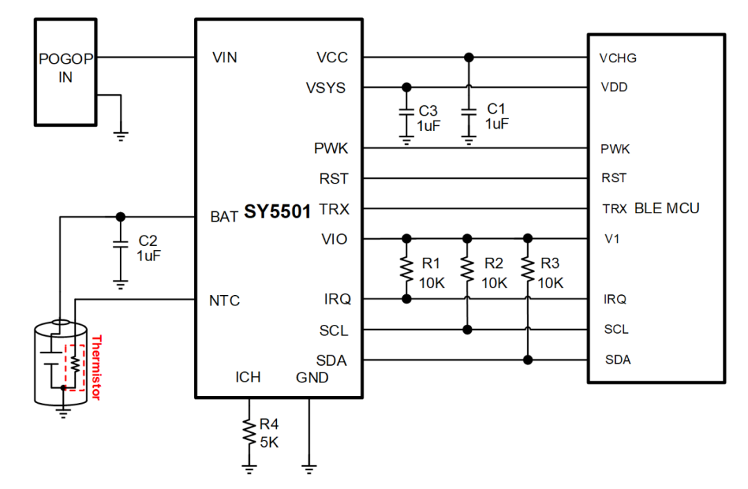
SY5501是一款专门为TWS耳机设计的芯片,提供一套充电和隔离通讯的完美解决方案。芯片集成了线性充电管理、放电保护、(仓与耳机)单线双向数据通信以及I2C通讯接口,方便用户实现耳机充放电管理和协议通讯;SY5501最大充电电流外部电阻可调,同时支持恒流充电ICC、浮充电压VFLOAT档位I2C调节;芯片集成NTC检测和保护功能,更安全地对电池进行充放电管理;SY5501带有电池放电保护和ship mode功能,可以实现耳机系统低功耗需求。芯片集成私有控制指令,耳机充电仓可以通过VIN发送指令控制SY5501,实现对耳机主控的开关机和复位操作;SY5501还支持智能识别在仓/离仓状态,并主动通知耳机主控;SY5501功能丰富且功耗低,缩短了蓝牙耳机开发周期。精简的QFN14-1.6mmx1.6mm封装为蓝牙耳机方案省下极大的空间。
应用
· TWS耳机、AR眼镜、便携式电子产品等
特点
· VBAT待机电流1uA
· Ship mode电流300nA
· VIN耐压12V,VIN OVP = 6V,过流保护450mA
· 充电电流ICH管脚可调,充电电流范围10~300mA,支持8档百分比调节
· 浮充电压4.2/4.35/4.4/4.45V四档可调,精度±0.5%
· 涓流和截止电流两档单独可调
· 主动复充,复充电压多档可调
· 集成NTC检测,支持JEITA温度区间保护
· 集成充电电池过压、温度环、超时保护
· 集成放电电池欠压、过流和短路保护
· 集成双向通讯,通讯方向自动切换,速率高达3Mbps
· 集成私有协议指令,支持充电仓通过VIN端发指令控制SY5501
· 集成在仓/离仓状态自动检测功能,支持入仓发复位信号和离仓发唤醒信号给蓝牙主控
· 支持I2C控制和状态读取,支持中断输出

(典型应用电路)
关于SY8702
SY8702是一款低侧过压保护(OVP)IC,内部集成28mΩ开关NMOS,采用低压侧开关拓扑结构,极低导通电阻有效地减小输入压降,保护电压外部设置使应用更加灵活,提供最简单实用的低成本OVP解决方案。SY8702采用的封装形式为SOT23-6。
特点
· 过压保护点最高至36V
· 保护电压点外部设置
· 28mΩ开关NMOS
应用
· 移动电源、手机、平板电脑、电动工具等

(典型应用电路)
球速体育半导体深耕电源管理技术领域多年,致力为智能穿戴、消费电子、工业、储能系统、新能源汽车等行业提供领先的电池管理系统级芯片解决方案,同时也赢得了广大客户的依赖。未来,球速体育半导体将推出更多的产品组合、更优的解决方案,为全球消费者带来更好的产品体验。
上一篇球速体育半导体电源管理解决方案助力OPPO Enco Air2 Pro闪耀上市2022.04.25
下一篇新品 | 球速体育半导体推出10mA截止电流的2A BUCK充电管理芯片 SY62012022.03.26